W-Z-10模块是深圳威德姆科技有限公司开发的一款高灵敏度、电路简单、通信距离远、抗干扰能力强的通用型ZigBee模块。模块采用沉金、半孔等特殊工艺,提高了模块的稳定性和可靠性。W-Z-10模块采用的是Silicon LABS EFR32MG13芯片,该模块符合IEEE.802.15.4规范和ZigBee3.0协议标准,并具有自我修复、自动组网功能。512K Flash,64KB RAM,可支持 OTA升级,为后续产品的升级及扩展提供了保证。
使用该模块为用户的开发省去了大量的时间和精力,从而为产品推向市场节约了时间和开发成本。
1.2 产品应用
W-Z-10模块的应用包括但不限于:
u 照明控制(开关、插座、墙插、调光、调色温、调色彩WRGB等强电产品)
u 窗帘控制
u 智能家居
u 安防
u 楼宇自动化和监控
u 能源管理等
1.3 主要特性
u 尺寸:12 * 15 * 2mm
u 符合 2.4GHz IEEE 802.15.4 协议;
u 工作频段:2400~2483.5MHz;
u 调制模式:O-QPSK、GFSK;
u 传输速率:250Kbps@Zigbee、1M、2M、125K、500Kbps@BLE5.0;
u 32 位高性能 ARM Cortex-M33 MCU,时钟可高达 80MHz;
u 程序存储器:内置512KB Flash;
u 数据存储器:64KB片上RAM;
u 晶振:38.4MHz;
u IO口丰富,包括PWM接口、I2C接口、ADC接口、Uart接口等;
u 工作电压:1.71V~3.8V;
u 工作温度:-40℃~125℃;
u 接收灵敏度:-104.5dBm;
u 最大发射功率:20dBm;
u RX工作电流:9.4mA(测试程序);
u TX工作电流:9.3mA(测试程序);
u 深度休眠模式工作电流:4.5uA。
2.1 模块应用方框图
图表2 W-Z-10模块应用方框图
W-Z-10模块是基于 2.4GHz IEEE 802.15.4 协议的无线通讯模块,需外置2.4G 天线进行无线通讯。
3. 技术规格
3.1 射频参数
参数指标 | 说明 |
标准 | 2.4G IEEE 802.15.4 |
调制模式 | OQPSK |
信道个数 | 16 |
信道带宽 | 5M |
传输速率 | 250Kbps |
参数指标 | 最小值 | 典型值 | 最大值 | 单位 |
工作频率 | 2400 | -- | 2483.5 | MHz |
发射功率 | 0 | 10 | 10 | dBm |
接收灵敏度 | -90 | -96 | -104.5 | dBm |
频偏 | -40 | -- | +40 | KHz |
备注 |
|
|
|
|
图表3 W-Z-10模块射频参数
3.2 管脚定义
注:针对通用IO口每种类型的产品均有定义,不能随意更改。
图表4 W-Z-14模块管脚序号图
管脚序号 | 对应IC管脚 | 管脚功能描述 | 备注 |
1 | PB01 | 通用IO口 |
|
2 | PB00 | 通用IO口 |
|
3 | PA06 | 通用IO口 |
|
4 | PA05 | 通用IO口 |
|
5 | PA04 | 通用IO口 |
|
6 | PA00 | 通用IO口 |
|
7 | NC | / |
|
8 | PA03 | 通用IO口 |
|
9 | PC01 | 通用IO口 |
|
10 | PD00/NC | 通用IO口 |
|
11 | PC00 | 通用IO口 |
|
12 | PD04 | 通用IO口 |
|
13 | PD03 | 通用IO口 |
|
14 | GND | 地 |
|
15 | PD02 | 通用IO口 |
|
16 | PD01 | 通用IO口 |
|
17 | PA01/CLK | 烧录脚CLK | 留出测试点 |
18 | PA02/TMS | 烧录脚TMS | 留出测试点 |
19 | RESET | 复位 | 留出测试点 |
20 | GND | 地 | 留出测试点 |
21 | VDD | 3.3V供电 | 留出测试点 |
22 | PC02 | 通用IO口 |
|
23 | PC03 | 通用IO口 |
|
24 | PC04 | RF_TEST_RX | 留出测试点 |
25 | PC05 | RF_TEST_TX | 留出测试点 |
26 | NC | / |
|
27 | NC | / |
|
28 | NC | / |
|
29 | NC | / |
|
30 | NC | / |
|
31 | GND | 地 |
|
32 | GND | 地 |
|
33 | RF | RF输入输出 |
|
34 | GND | 地 |
|
图表5 W-Z-10 模块管脚定义
3.3 电气性能
参数指标 | 最小值 | 典型值 | 最大值 | 单位 | 备注 |
工作电压 | 1.71 | 3.3 | 3.8 | V |
|
待机电流 | 4.5 | -- | 8 | uA | 深度休眠模式 |
RX电流 | -- | 9.4 | -- | mA | 与功率大小相关 |
TX电流 | -- | 9.3 | -- | mA | 与功率大小相关 |
备注 |
|
|
|
|
|
图表6 W-Z-10模块电气性能参数
3.4 工作条件
参数指标 | 最小值 | 典型值 | 最大值 | 单位 | 备注 |
工作温度 | -40 | 25 | 125 | ℃ |
|
存储温度 | -40 | 25 | 125 | ℃ |
|
工作湿度 | 10 | 50 | 90 | % |
|
存储湿度 | 5 | 50 | 95 | % |
|
图表7 W-Z-14 模块工作条件
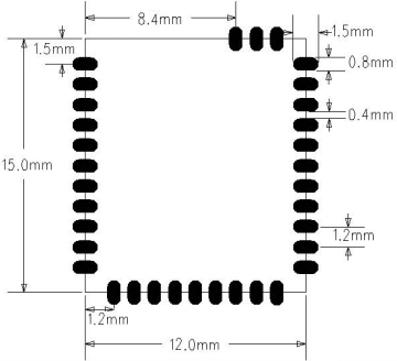
4. 模块尺寸
4.1 模块外型尺寸